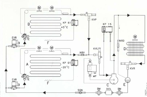
Planta de refrigeración con cámaras con evaporador de media y baja temperatura.

La planta consiste en un evaporador de baja temperatura A, un evaporador de media temperatura B, un compresor C, un condensador D y un refrigerante E.
El refrigerante es conducido a la válvula de expansión TE a través de un filtro secador DCL y un visor de líquido SGN.
Una válvula de cierre BM en cada uno de los lados del filtro DCL, permite el reemplazo de este sin perdida de refrigerante.
Antes de cada válvula de expansión TE se encuentra una válvula solenoide EVR, la cual es controlada por un termostato KP 61.
La bobina abre y cierra la válvula solenoide EVR, de acuerdo con la temperatura del sensor F.
Una válvula de retención NRV es colocada en la línea de succión proveniente del evaporador de baja temperatura A. La válvula previene un retorno de refrigerante en el evaporador de baja temperatura durante los períodos que el compresor esta apagado.
.

Una válvula reguladora de presión de evaporación KVP es colocada en la línea de succión del evaporador de media temperatura B
La KVP mantiene una presión de evaporación constante correspondiente a una temperatura de 8 a 10°C por debajo de la requerida en la cámara de media temperatura.
Una válvula reguladora de presión del cárter KVL antes del compresor, protege al motor del compresor contra sobrecargas durante el arranque.
Un control de presión diferencial MP para al compresor C si la presión de aceite llega a ser muy baja.
Un control de presión KP 15 es una combinación de control de baja y alta presión que protege la planta de una baja presión de succión y una alta presión de descarga en el compresor.
Es importante que bajo todas las condiciones la línea del líquido tenga presión suficiente para llevar el refrigerante hacia las válvulas de expansión. La planta de refrigeración es por consiguiente regulada con una válvula reguladora de presión de condensación KVR y una válvula de presión diferencial NRD.